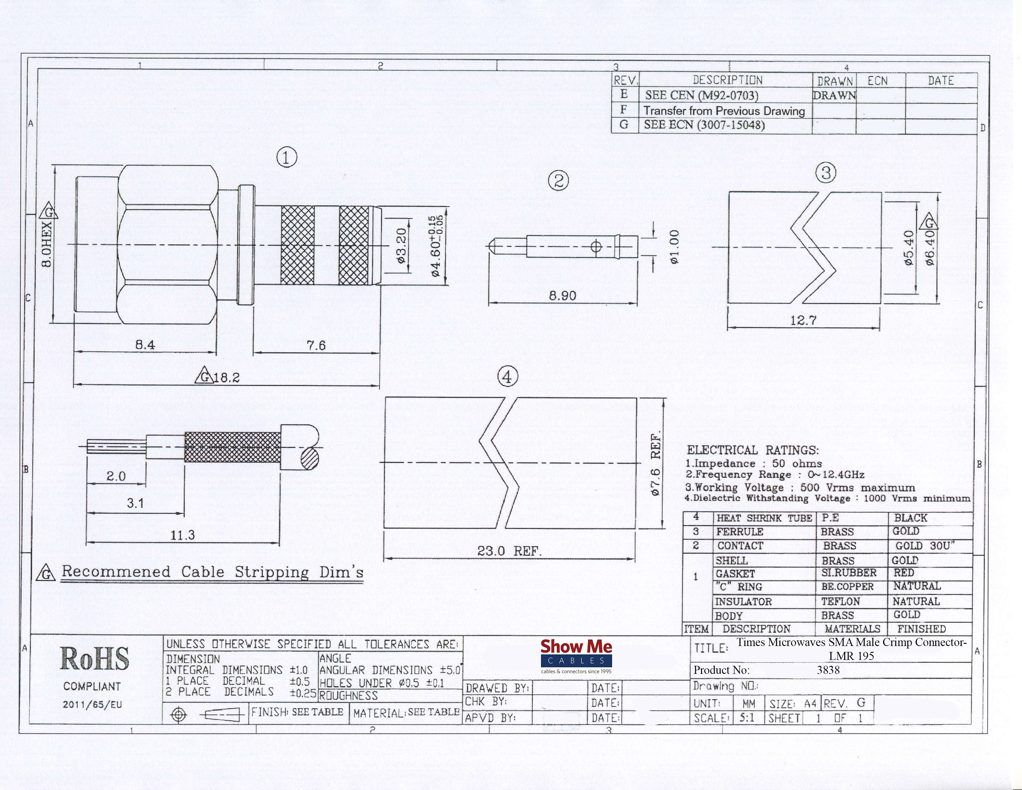
An SMA connector is a sub-miniature coaxial connector used in RF applications. SMA connectors are threaded for a secure connection. All SMA connectors are 50 Ohm connectors and come in male and female variations, as well as reverse polarity.
Features:
Fits LMR-200
Male
Crimp
50 ohm
3 piece design (connector, pin and ferrule)
Stainless Steel Body
Building Cables?
Let ShowMeCables do it for you. Our custom cables are professionally built, have quick turn-arounds and there is no minimum order requirement. Design your cable online, or contact our sales department for a quote.