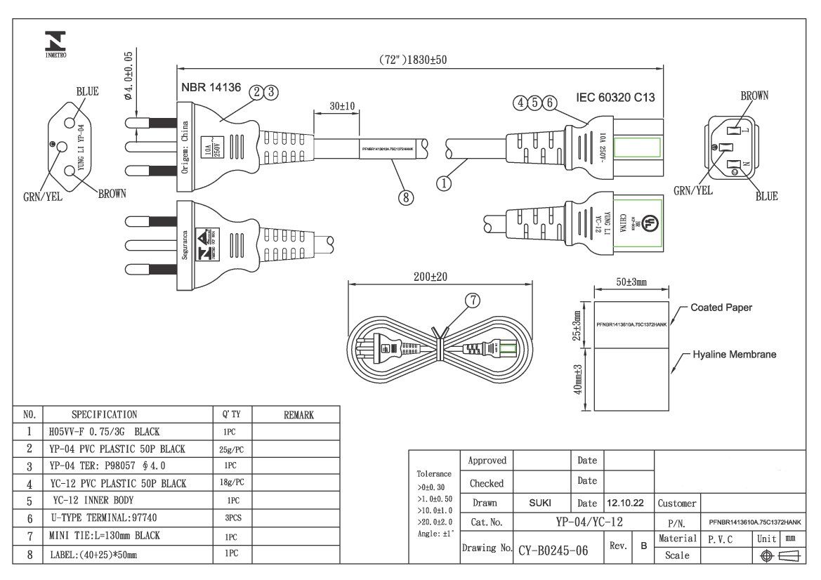
International Power Cord - NBR14136 to C13 1.8M Power Cable
This molded NBR14136 to C13 International Power Cord is compatible with Brazillian plugs. It can be used with servers, CPUs, and other standard C13 power connector devices. It is made with high quality material and tested for dielectric voltage-withstand, polarization, and continuity to assure reliability and long-lasting performance. The power cord is manufactured in compliance with NBR 14136 standards and is InMetro certified. All international power cords hold the International Color Code (ICC) on the inner conductors of brown, blue, and green with a yellow stripe.
Features:
Connector 1: NBR14136 Male
Connector 2: C13 Female
Provides power connectivity for international applications
Length: 1.8 M (6 ft)
Type J
International Color Code (ICC)
Certifications: INMETRO
Black
Many countries have the same standards for what type of power cords they use. To help you figure out what cord you will need, follow the link below.
Q: I saw you have 'Types' for each kind of international power cord what does that mean?
A: The 'Type' of each power cord is simply another way to explain what type of connector is being used. It is a universal language set by the International Electrotechnical Commission (IEC). There is a chart on the resources tab to help you determine which type of plug you need.
Q: I'm not sure which power cable I need. Can you help?
A: The different power connectors can be confusing. We have a chart on the resources tab to help you determine which connector you need.
Q: Can I use the cord I bought for my trip to the UK anywhere else?
A: Yes you can! The BS 1363 or Type G power cords can be used in several other countries such as Hong Kong Saudi Arabia and Singapore. In fact many countries have the same standards for what type of power cords they use. To help you figure out what cord you will need follow the link below.
IEC connectors are the standard connectors as recognized by the International Electrotechical Commission. They are non-locking connectors rated up to 250 volts. The IEC standard uses a numerical approach to distinguish which is the outlet and which is the inlet. All odd numbers (C5 C13 etc.) are the outlets which plug into the even number inlet. The odd number connectors mate with the even number directly after them. For example a C13 plugs into a C14 but will not plug into a C12.
IEC 60320 Standard Power Connectors
Outlet
Inlet
Picture
Grounded
Max Amperage
Notes
C5
C6
Yes
2.5
Laptops, Apple, iMac sometimes referred to as "Mickey Mouse" connector
C7
C8
No
2.5
Non-Polarized version. Very common plug found on audio video equipment laptop power supplies.
C7
C8
No
2.5
Polarized version. Very common plug found on audio video equipment laptop power supplies
C13
C14
Yes
10 or 15
Very common found on most computers and peripherals
C15
C16
Yes
10 or 15
Used for small appliances that get very hot.
C19
C20
Yes
16 or 20
2005 PowerMac Cisco, Power Supplies Ciscoo, Chassis Dell workstations.
NEMA connectors are the standard connectors as recognized by the U.S. National Electrical Manufacturers Association for AC power. The standard is comprised of both locking and non-locking connectors rated up to 600 volts. The NEMA standard uses an alphabetical approach to distinguish which is the plug and which is the receptacle. The letter P designates the plug and a R designates the receptacle. For example a 5-15P will plug into a 5-15R.
NEMA Power Connectors
120VAC Power Connectors
Receptacle
Plug
Picture
Grounded
Max Amperages
Notes
1-15R
1-15P
No
15
Typical two prong connector found on lamps, radio clocks, and other small electronics
5-15R
5-15P
Yes
15
Typical three prong connector found in modern homes. It is also found on countless electronic devices.
L5-15R
L5-15P
Yes
15
Locking version of the 5-15
5-20R
5-20P
Yes
20
20 amp connector. 5-20 recepticles will accept a 5-15 plug.